WP-23 po 46 letech

Všechno co souvisí s modelářskými vysílači, výběr, programování, napájení
Odpovědět
Zpráva
Autor
guchar
Příspěvky: 8180
Registrován: čtv 07.05.2015 16:24
Bydliště: ČR

Re: WP-23 po 46 letech

#301 Příspěvek od guchar »

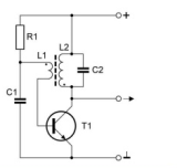
@#300 Nový příspěvek od ingwarr » sob 29.03.2025 20:28 Jo míval hodnotu 100 pF. Než měřit jeho kapacitu stačí změřit rezonanční kmitočet LC.
Pokud nejsem vybaven přístroji co to umí, stačí si (třeba na nepájivém poli) postavit přípravek, který LC s využitím zpětné vazby ze sekundárního vinutí MF aktivně rozkmitá. Některé multimetry měří F. Nebo druhou harmonickou 910 kHz poslechu něčím v pásmu Medium Wave = MW (= střední 525 až 1605 KHz) LC oscilátory (harmonické) Paralelní rezonanční obvod /-/ bfo schematic 455 khz

Edit 02 (Re. od ingwarr) Předpokládám, že máš na mysli toto zapojení BFO 455 kHz Meissnerův oscilátor.
C1 zemní druhý vývod vinutí než je ten do báze, hodnota desítky nF. Chybí tam oddělovací kondenzátor na výstupu. Kolektor T1. // Odkaz bohužel nemá číslování. Ani obr. ani str.
lc_bfo_455khz_v03_meissneruv.png
Naposledy upravil(a) guchar dne úte 01.04.2025 15:39, celkem upraveno 1 x.
Uživatelský avatar
ingwarr
Příspěvky: 744
Registrován: stř 17.08.2011 7:57
Bydliště: Ružindol,SK

Re: WP-23 po 46 letech

#302 Příspěvek od ingwarr »

guchar píše: ned 30.03.2025 6:04 @#300 Nový příspěvek od ingwarr » sob 29.03.2025 20:28 Jo míval hodnotu 100 [url=https://www.qsl.net/vu2ave/downloads/Bfo_455.pdf] bfo schematic 455 khz

druhý návod toho BFO by bolo najlepšie na odskúšanie mf transformatorov
Futaba FC-16, Frsky Taranis +, Fun Cub, Easy star, Easy glider4, Filip600T, kopia Tourist elektro,
Uživatelský avatar
ingwarr
Příspěvky: 744
Registrován: stř 17.08.2011 7:57
Bydliště: Ružindol,SK

Re: WP-23 po 46 letech

#303 Příspěvek od ingwarr »

Zohnal som dve KF125, nemecke SF240, SF245 a germaniove diody. Zatiaľ dávam dokopy nové súčiastky.
Přílohy
IMG_20250428_100327.jpg
Futaba FC-16, Frsky Taranis +, Fun Cub, Easy star, Easy glider4, Filip600T, kopia Tourist elektro,
Uživatelský avatar
ingwarr
Příspěvky: 744
Registrován: stř 17.08.2011 7:57
Bydliště: Ružindol,SK

Re: WP-23 po 46 letech

#304 Příspěvek od ingwarr »

Keďže počasie nedovolí robiť vonku, tak som aspoň urobil predlohu pre prijímač má to rozmer 85x70 ak bude fungovať tak to zmenšim. Snáď som nikde neurobil chybu, tri krát som to kontroloval. Robené nažehlenim žehličkou chyby opravim liehovkou.
Přílohy
IMG_20250507_113754.jpg
IMG_20250507_102929.jpg
Futaba FC-16, Frsky Taranis +, Fun Cub, Easy star, Easy glider4, Filip600T, kopia Tourist elektro,
guchar
Příspěvky: 8180
Registrován: čtv 07.05.2015 16:24
Bydliště: ČR

Re: WP-23 po 46 letech

#305 Příspěvek od guchar »

Ten tišťák vypadá dobře. Ty čmouhy na horním kraji spoje jsou od podleptání? Nebo šedá místa v černi negativu? Něco, co ani netuším?
Uživatelský avatar
ingwarr
Příspěvky: 744
Registrován: stř 17.08.2011 7:57
Bydliště: Ružindol,SK

Re: WP-23 po 46 letech

#306 Příspěvek od ingwarr »

guchar píše: stř 07.05.2025 16:50 Ten tišťák vypadá dobře. Ty čmouhy na horním kraji spoje jsou od podleptání?
Vpravo hore zle umytí toner, teraz som to zo špendlikom zoškrabal, v strede som opravoval z fixkou tam sa mi to odluplo zle prižehlené. Možno ak by som mal laminovačku, výsledok by bol lepší, tam je konštantný prítlak, to zo žehličkou nedam.
Foto cestou už nerobím, zdĺhavé, nákladné pri takto jednoduchých plošakoch.
Naposledy som tak robil tuším dva roky dozadu, dosky na zosilňovač LaMa mkll
Přílohy
Ešte osadiť tlmivku, na kryštál som urobil veľkú medzeru, lenivosť zmerať rozostup vyvodov
Ešte osadiť tlmivku, na kryštál som urobil veľkú medzeru, lenivosť zmerať rozostup vyvodov
Futaba FC-16, Frsky Taranis +, Fun Cub, Easy star, Easy glider4, Filip600T, kopia Tourist elektro,
Uživatelský avatar
Celeron
Příspěvky: 10855
Registrován: pát 23.04.2010 0:00
Bydliště: Nový Bydžov ČR
Kontaktovat uživatele:

Re: WP-23 po 46 letech

#307 Příspěvek od Celeron »

ingwarr píše: stř 07.05.2025 10:41 Robené nažehlenim žehličkou chyby opravim liehovkou.
Na jaký laserce a na jakej papír jsi to prosím tisknul? Já zkoušel Minoltu 1250, 2500 a nyní Brothera 1510 na lesklej křídovej papír nebo barevný lepící papíry, co víc lidí doporučovalo a výsledek k nepoužití. Problém je, že ani jeden z tonerů nejde napařit aceton párama aby se kresba slila. Makalo mě to pouze na 25 let starý laserce Minolta 1000 ale do ní se už ty původní tonery, co šly napařovat acetonem neseženou.
V poslední době dělám plošáky na řezacím ploteru. Vyřežu pozitivní masku z reklamní fólie, pak přenesu na plošák a leptám. Na SMD to ale moc není.
Uživatelský avatar
jyrry
Příspěvky: 21640
Registrován: pon 28.02.2005 0:00
Bydliště: Rakovník
Kontaktovat uživatele:

Re: WP-23 po 46 letech

#308 Příspěvek od jyrry »

Celeron píše: ned 18.05.2025 19:39 ...
V poslední době dělám plošáky na řezacím ploteru. Vyřežu pozitivní masku z reklamní fólie, pak přenesu na plošák a leptám. Na SMD to ale moc není.
Sakra, zase se mi vrátily myšlenky na pořízení toho plotru... :-D
jyrry.webnode.cz
Uživatelský avatar
ingwarr
Příspěvky: 744
Registrován: stř 17.08.2011 7:57
Bydliště: Ružindol,SK

Re: WP-23 po 46 letech

#309 Příspěvek od ingwarr »

Celeron píše: ned 18.05.2025 19:39 Na jaký laserce a na jakej papír jsi to prosím tisknul?
Tlačiareň mám Lexmark E 250dn náplň v pohode aceton naleptava, ako aj žehlička teplom rozpušta. Fungovalo to z originál tonerom aj teraz keď som dal len naplniť toner. Tlačím na papier z katalógov ktoré sú lesklé. Teplota okolo 150°C
Futaba FC-16, Frsky Taranis +, Fun Cub, Easy star, Easy glider4, Filip600T, kopia Tourist elektro,
Uživatelský avatar
Celeron
Příspěvky: 10855
Registrován: pát 23.04.2010 0:00
Bydliště: Nový Bydžov ČR
Kontaktovat uživatele:

Re: WP-23 po 46 letech

#310 Příspěvek od Celeron »

jyrry píše: ned 18.05.2025 20:08 Sakra, zase se mi vrátily myšlenky na pořízení toho plotru... :-D
No když jsem tuhle metodu ventiloval na jiným fóru, tak jsem byl označen za zpátečníka, kterej se vrátil k používání technologie výroby DPS starou skoro 50 let. To jsme plošák polepili Izolepou a dělící čáry vyřezali kudlou a vytrhali a dali leptat. :lol: Tohle je vlastně to samý. :mrgreen:
Uživatelský avatar
jyrry
Příspěvky: 21640
Registrován: pon 28.02.2005 0:00
Bydliště: Rakovník
Kontaktovat uživatele:

Re: WP-23 po 46 letech

#311 Příspěvek od jyrry »

Celeron píše: pon 19.05.2025 17:16 No když jsem tuhle metodu ventiloval na jiným fóru, tak jsem byl označen za zpátečníka, kterej se vrátil k používání technologie výroby DPS starou skoro 50 let. To jsme plošák polepili Izolepou a dělící čáry vyřezali kudlou a vytrhali a dali leptat. :lol: Tohle je vlastně to samý. :mrgreen:
Já to kdysi kreslil kýblperkem, pak jsem to kombinoval s Propisotem.
Nějakou dobu mi známá v reklamce řezala ty samolepky.
Teď to frézuju a hned i vrtám. Ale k tý samolepce z plotru bych se klidně vrátil.
jyrry.webnode.cz
guchar
Příspěvky: 8180
Registrován: čtv 07.05.2015 16:24
Bydliště: ČR

Re: WP-23 po 46 letech

#312 Příspěvek od guchar »

● Za ta léta jsem užíval a zkoušel skoro všechny v časopisech popsané způsoby.
● „Trotenfest“, postup pro nenáročné spoje - dělicí čáry - byl
● Pod papírovou kopii obrazce se dal kopírák za okraje upevnit izolepou
● vrtací body jsem přenesl důlčíkem
● dělicí čáry přejel kuličkovou tužkou (pro viditelnost lépe červenou než modrou)
● Následovala manufaktura z časů císaře pána, ruční rytí půlkulatým dlátkem podle kovového pravítka
● půlkulaté dlátko bylo vybroušeno z kousku ocelové rýsovací jehly
● (pokud tam byly plochy bez mědi) tak se za okraje slupovaly plochým dlátkem nebo špičkou skalpelu
● vrtání vhodným Mabuchi motorkem s kleštinou pro vrtáky 0.8 mm už byla ta snadnější část práce
● od sklolaminátu rychle tupící se běžné vrtáčky se, po zakulacení špičky, od oka zleva a zprava šikmo lízly brouskem na kosu
● výsledný dojem děsný, hodně závislý na zručnosti, vysoká pracnost. ale celé to bylo DIY - na proces nebyl potřebný žádný dodavatel
Stačilo sehnat Cuprextit, který se při pájení od laminátu neodlupoval Do dnešních časů už snad leda jako retro vzpomínka
Uživatelský avatar
ingwarr
Příspěvky: 744
Registrován: stř 17.08.2011 7:57
Bydliště: Ružindol,SK

Re: WP-23 po 46 letech

#313 Příspěvek od ingwarr »

Zas nažehlovanie, čas nech to trvalo všetko aj z vyleptanim 30minut. Nerátam úpravu v sprint layout.

Ešte som otestoval mf transformátory prípravkom podľa vyloženej schémy od "guchar" tranzistor BF194 som nahradil BF199 skúsim SF240 čo by mal byť equivalent tej BF194 skôr je dôležité že piny sú u všetkých rovnako CEB
Tranzistor aj mf sú zasunute do dutinkovej presnej lišty.
Přílohy
IMG_20250520_151718.jpg
IMG_20250520_151649.jpg
IMG_20250520_115122.jpg
IMG_20250520_112953.jpg
Futaba FC-16, Frsky Taranis +, Fun Cub, Easy star, Easy glider4, Filip600T, kopia Tourist elektro,
guchar
Příspěvky: 8180
Registrován: čtv 07.05.2015 16:24
Bydliště: ČR

Re: WP-23 po 46 letech

#314 Příspěvek od guchar »

● #313 Nový příspěvek od ingwarr » úte 20.05.2025 11:59 Tvar signálu na osciloskopu je krásně sinusový. Na kmitočtu 455 kHz to kmitá s libovolným epitaxiálním křemíkem i nf KC 508 (7, 9) pouzdro TO-18
● V uvedeném zapojení se společným emitorem kmitají spolehlivě i na cca 40 MHz, tedy použitelné na 27 MHz. Totéž plastové s drátovými vývody spínací BC508 nebo BC548, v pouzdře TO92.
● Pokud se pro oscilátor použila zapojení se společnou bází kmitaly až na 200 MHz. Některé kusy i výš.
Uživatelský avatar
ingwarr
Příspěvky: 744
Registrován: stř 17.08.2011 7:57
Bydliště: Ružindol,SK

Re: WP-23 po 46 letech

#315 Příspěvek od ingwarr »

Včera som pripojil prijímač na napätie odber 25 mA ok, idem merať napätie a :shock: všetko iné. Tak dnes som skontroloval este raz zapojenie všetko OK až na zenerovú diódu otočenú opačne. Teraz odber 19mA napätie na krytoch mf 3.35V. Merané pri vstupnom napájanie 5V.. Keď bude čas budem pokračovať ďalej. Hlavne idem zas celé vlákno prečítať X krát už. Hlavne vypísať body kde čo merať a označiť na plošaku. Kombinujeme návod od p.Gašparina a p.Valentu. Snáď to otočenie zenerovej diody nemá dáke následky.
Futaba FC-16, Frsky Taranis +, Fun Cub, Easy star, Easy glider4, Filip600T, kopia Tourist elektro,
Odpovědět

Zpět na „Vysílače“