rozvdojení analogového videa

Nabíječky, zdroje, přístroje
Zpráva
Autor
Androy
Příspěvky: 115
Registrován: čtv 18.09.2014 18:57

rozvdojení analogového videa

#1 Příspěvek od Androy »

zdravim chlapi,

chci se zeptat, jestli máte někdo zkušenost s rozdvojením analogového videa pomocí cinch-rozdvojky... jedno vlákno vede k monitoru a druhé pomocí redukce z cinchu na VGA do klasické televize...

je toto zapojení možné?

díky za rady
Uživatelský avatar
Arcicorsa
Příspěvky: 1438
Registrován: sob 12.01.2013 12:07
Bydliště: Pardubice
Kontaktovat uživatele:

Re: rozvdojení analogového videa

#2 Příspěvek od Arcicorsa »

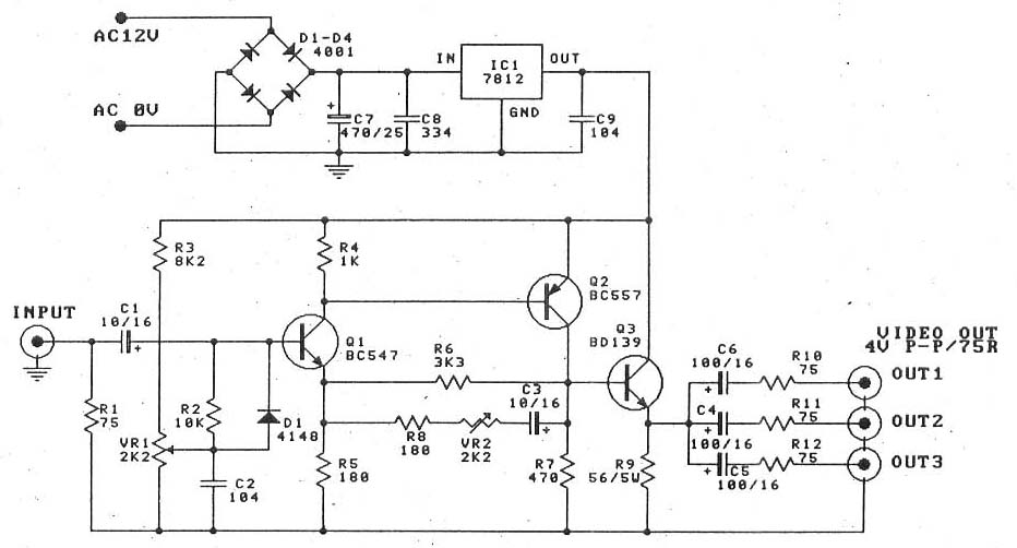
To fungovat nebude, video linka má impedanci 75ohm, pokud tam pripojíš dva monitory tak impedance vstupu klesne na 37ohm, sníží jas a bude vypadávat synchronizace... Je potřeba použít aktivní rozbočovač.. Třeba tento http://www.xcoresystem.cz/rozbocovace/1 ... -720p.html .. Popřípadě se to dá doma zbastlit viz schéma...
Přílohy
video zesilovač.jpg
Goblin 500 Spirit@MiniProtos Spirit@Oxy3 Spirit@Taranis + Xlite RC@ www.arcitimer.com
Amper
Příspěvky: 5327
Registrován: úte 30.08.2011 9:26
Bydliště: Plzeň, CZ

Re: rozvdojení analogového videa

#3 Příspěvek od Amper »

Nema nahodou ta televize analog out ? Nektere televize na nej posilali vse co dostali (i ze vstupu) takze se dala vlastne pouzit jako aktivni rozbocovac. Signal do TV a z TV na monitor.
coptery@FrSky X9E, 3.4m Go-3,EPP Spartan,SkySurfX8,SE.5,MPX Extra 300s@Jeti DC-16
Uživatelský avatar
Celeron
Příspěvky: 10859
Registrován: pát 23.04.2010 0:00
Bydliště: Nový Bydžov ČR
Kontaktovat uživatele:

Re: rozvdojení analogového videa

#4 Příspěvek od Celeron »

Arcicorsa píše: Popřípadě se to dá doma zbastlit viz schéma...

Přesně tohle zapojení jsem asi před 20 lety zkoušel a byly problémy se synchronizací po prudký změně jasu. Moc jsem nad tím nebádal, vyřešil problém jiným propojením přístrojů a tohle skončilo nevím kde.
Jirka
Uživatelský avatar
Tyrano-cz
Příspěvky: 289
Registrován: pon 20.08.2012 9:26
Bydliště: východní čechy
Kontaktovat uživatele:

Re: rozvdojení analogového videa

#5 Příspěvek od Tyrano-cz »

Arcicorsa píše:To fungovat nebude, video linka má impedanci 75ohm, pokud tam pripojíš dva monitory tak impedance vstupu klesne na 37ohm, sníží jas a bude vypadávat synchronizace... Je potřeba použít aktivní rozbočovač.. Třeba tento http://www.xcoresystem.cz/rozbocovace/1 ... -720p.html .. Popřípadě se to dá doma zbastlit viz schéma...

Já to mám vyzkoušený na dva monitory v Ecobrejlích a normálně to funguje bez jakýchkoli problémů.
Takže asi tak moje zkušenost.
Odstartovat můžeš ... přistát musíš!!!
Super Kinetic, Sonic 64, Skywalker X-8, Luky Sport,
Uživatelský avatar
Arcicorsa
Příspěvky: 1438
Registrován: sob 12.01.2013 12:07
Bydliště: Pardubice
Kontaktovat uživatele:

Re: rozvdojení analogového videa

#6 Příspěvek od Arcicorsa »

Celeron píše:Přesně tohle zapojení jsem asi před 20 lety zkoušel a byly problémy se synchronizací po prudký změně jasu. Moc jsem nad tím nebádal, vyřešil problém jiným propojením přístrojů a tohle skončilo nevím kde.
Jirka


Jo je to možné, osobně toto nemám ověřené ale co používáme v práci rozbočovače tak používají OZ AD8010 ale tam je nevýhoda že potřebují symetrické napájení, blbě se shání a stojí kolem 200,- ..
Přílohy
int. amp.gif
int. amp.gif (8.53 KiB) Zobrazeno 2731 x
Goblin 500 Spirit@MiniProtos Spirit@Oxy3 Spirit@Taranis + Xlite RC@ www.arcitimer.com
Androy
Příspěvky: 115
Registrován: čtv 18.09.2014 18:57

Re: rozvdojení analogového videa

#7 Příspěvek od Androy »

diky za rady, kazdopadne nasel jsem toto http://e-autodoplnky.cz/rozbocovace-prepinace-ost/23532-aktivni-rozbocovac-video-signalu-1in-3out-8595128272733.html

300 kc a 700 kc je celkem rozdil a myslim si, ze by tohle mohlo fungovat, kdybych to pripojil na 3S lipolku... co rikate ?
Uživatelský avatar
jova
Příspěvky: 1117
Registrován: ned 15.02.2009 0:00
Bydliště: Chýnov - to je kousek od Tábora
Kontaktovat uživatele:

Re: rozvdojení analogového videa

#8 Příspěvek od jova »

Být tebou, tak to nejdříve zkusím nahulváta pasivně pomocí té cinch-rozdvojky, pokud bude problém, tak bych teprve něco kupoval.
EPP samokřídla
fotky: https://mapy.cz/fotografie?fotomapy&x=15&y=49&z=8&aid=861
Androy
Příspěvky: 115
Registrován: čtv 18.09.2014 18:57

Re: rozvdojení analogového videa

#9 Příspěvek od Androy »

jova píše:Být tebou, tak to nejdříve zkusím nahulváta pasivně pomocí té cinch-rozdvojky, pokud bude problém, tak bych teprve něco kupoval.


tak sem vsadil na jistotu a koupil sem za par supu aktivni rozbocovac... preci jen to bude lepsi... pak to muzu pripojit na jakoukoliv televizi :wink:
Androy
Příspěvky: 115
Registrován: čtv 18.09.2014 18:57

Re: rozvdojení analogového videa

#10 Příspěvek od Androy »

a jeste se zeptam...
ted mam dilema jak rozvest video z cinche na VGA jelikoz televize podporuje co se tyce analogu jen IN-VGA a IN-COMPOSITE... a otazka zni stacilo by kdybych doma zbastli redukci z cinche (RCA) do VGA??

pinout VGA - 14 (Vsync VIDEO) a 5 (GND)

vsude na netu co jsem koukal tak je akorat z VGA na RCA ale ne opacne... tak nevim jestli to nevadi... popripade bych to i koupil
http://postovnezdarma.cz/redukce-z-vga-na-s-video-a-rca?gclid=CMvPyZSx1c8CFcaVGwodxwkC_Q

diky za rady
Uživatelský avatar
JosefSvejk
Příspěvky: 6483
Registrován: pát 29.04.2011 0:00
Bydliště: ČR

Re: rozvdojení analogového videa

#11 Příspěvek od JosefSvejk »

Musíš použít kompozitní vstup. VGA je něco jiného.
Člověk je tak složitá bytost, že o tom lidstvo nemá ponětí.
Androy
Příspěvky: 115
Registrován: čtv 18.09.2014 18:57

Re: rozvdojení analogového videa

#12 Příspěvek od Androy »

JosefSvejk píše:Musíš použít kompozitní vstup. VGA je něco jiného.



aha...

ale zadnou redukci "z RCA do kompozitni vstup" jsem nevidel... nejaky napad jak na to ?

dik
Amper
Příspěvky: 5327
Registrován: úte 30.08.2011 9:26
Bydliště: Plzeň, CZ

Re: rozvdojení analogového videa

#13 Příspěvek od Amper »

a jakej konektor mas na tom composite ?
coptery@FrSky X9E, 3.4m Go-3,EPP Spartan,SkySurfX8,SE.5,MPX Extra 300s@Jeti DC-16
Androy
Příspěvky: 115
Registrován: čtv 18.09.2014 18:57

Re: rozvdojení analogového videa

#14 Příspěvek od Androy »

Amper píše:a jakej konektor mas na tom composite ?


no ja sem premyslel, ze bych to udelal pres redukce sice je to prasarna, ale nic me jinyho nenapada... jelikoz tam mam jen IN-VGA (composite na cinche tam bohuzel neni, ted sem se byl podivat sem myslel ze jo) a udelal bych to nasledovne...

Z RCA (cinch) do composite (cinch) a do VGA...
Amper
Příspěvky: 5327
Registrován: úte 30.08.2011 9:26
Bydliště: Plzeň, CZ

Re: rozvdojení analogového videa

#15 Příspěvek od Amper »

Psal jsi :

ted mam dilema jak rozvest video z cinche na VGA jelikoz televize podporuje co se tyce analogu jen IN-VGA a IN-COMPOSITE

proto me zajimalo co mas za to in-composite.
coptery@FrSky X9E, 3.4m Go-3,EPP Spartan,SkySurfX8,SE.5,MPX Extra 300s@Jeti DC-16
Odpovědět

Zpět na „Pozemní elektronika“